HRT、DO和有机物对厌氧氨氧化脱氮性能的影响研究
The impact of HRT, DO and organic matter on the nitrogen removal performance of ANAMMOX
收稿日期: 2020-06-1
| 基金资助: |
|
Received: 2020-06-1
作者简介 About authors
李亚峰(1960-),教授,工学博士电话:13066714018,E-mail:
HRT, dissolved oxygen and organic matter were studied on the denitrification effect of ANAMMOX. Artificial water distribution was used in the test, and the pH, temperature, the mass ratio of NH4+-N/NO2--N in the water was 7.5-8.0, (35±1)℃, 1:1.32. The concentration of dissolved oxygen is changed by deoxygenation and non-deoxygenation of the influent, and the anaerobic bottle static test is used for the organic matter influence test. Under the average load of total nitrogen of 0.472 kg/(m3·d), the optimum HRT for the compound UASB anaerobic ammonia oxidation reactor is 12 h. When the concentration of dissolved oxygen was 0.7-1.0 mg/L, although the reaction was affected, it could still operate stably. Then DO concentration was reduced to(0.2±0.1) mg/L, after a period of reaction time, the treatment effect of anaerobic ammonia oxidation was restored as usual. The mass concentration of influent COD was 50-150 mg/L, while the removal rate of NH4+-N and NO2--N were maintained at more than 75% and 90%. Also, the removal rate of COD could reach 74% at the lowest level. In terms of the effect of anammox, HRT and dissolved oxygen are larger, while organic matter is smaller.
Keywords:
本文引用格式
李亚峰, 于燿滏, 杨嗣靖, 马晨曦.
Li Yafeng.
厌氧氨氧化(ANAMMOX)是1990年由荷兰Delft工业大学研发的一种新型生物脱氮技术,可简便快捷地转换氨氮,为生物脱氮提供了新的研究思路〔1-2〕。与过去的工艺相比,新的技术在供氧能耗及中和试剂等方面节省很多,且无需外部投加有机碳源,具有脱氮效率高、污泥产量低等优点。特别是在处理垃圾渗滤液〔3〕、污泥消化上清液〔4〕、味精废水〔5〕、养殖废水〔6〕这些高氨氮、低碳氮比的废水具有相当大的优势,已成为我国乃至世界上的研究热点。2002年6月全球首个ANAMMOX工艺的污水处理厂在荷兰Dokhaven投入使用,总氮去除速率最高可达9.75 kg/(m3·d)〔7〕,传统的硝化-反硝化生物脱氮工艺〔0.23~0.5 kg/(m3·d)〕〔8〕无法与之相提并论。
1 材料与方法
1.1 试验用水与接种污泥
分别以NaHCO3、KH2PO4、NH4Cl和NaNO2为碳源、磷源及氮源,通过人工配制为试验提供稳定的水域环境。控制进水pH为7.5~8.0,NH4+-N质量浓度为60~100 mg/L,保证NH4+-N、NO2--N质量比在1:1.32左右。同时投加MgSO4·7HO2、CaCl2·2HO2,并加入1 mL/L微量元素营养液A和B。2种营养液成分分别为A EDTA 5.000 g/L,FeSO4 5.000 g/L;B EDTA 15.000 g/L,MnCl2·4H2O 0.990 g/L,ZnSO4·7H2O 0.430 g/L,CoCl2·6H2O 0.240 g/L,CuSO4·5H2O 0.250 g/L,Na2MoO4·2H2O 0.220 g/L,NiCl2·6H2O 0.190 g/L,H3BO4 0.014 g/L。试验所需接种污泥取自沈阳市北部地区污水处理厂的厌氧消化污泥。
1.2 试验装置与方法
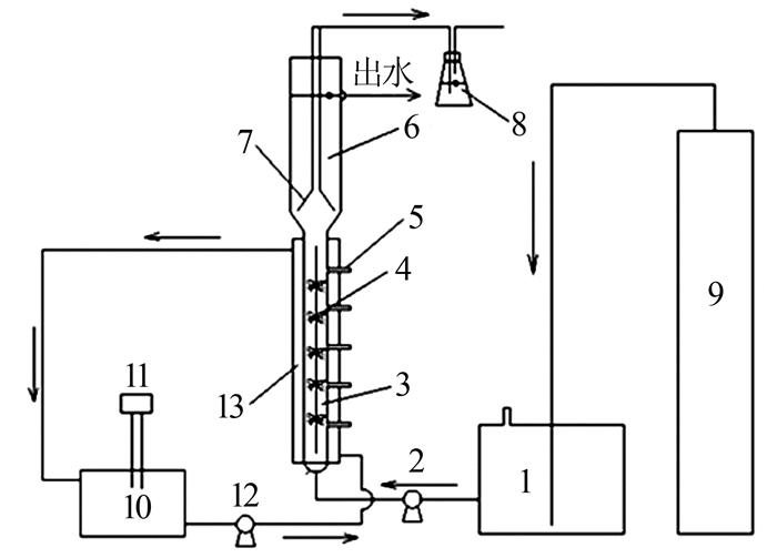
采用连续培养试验装置及复合式UASB反应器,如图 1所示。
图1
装置总体构造由双层圆柱形有机玻璃柱制成,反应区设在装置下半部分,整体高度80 cm,内部半径为8 cm,可容纳4 L反应液。反应区域外部设有水浴,包裹整个反应区,用恒温循环系统保持反应器内部温度常年在(35±1)℃,确保试验正常进行。在反应器底部约25 cm处添加组合式的纤维填料,确保污泥具有更好的生存环境。试验装置上半部分设置为沉淀区,整体高度为45 cm,内部直径设置为15 cm,总容积6.5 L,并在内部设置三相分离器。在反应器外壁均置5个取样口。为避免光线对反应器内厌氧氨氧化菌的干扰,反应区用黑色塑料布包裹。
所选反应器运行2个月,NH4+-N和NO2--N平均去除率均可达90%以上,TN平均容积负荷为0.464 kg/(m3·d),TN平均去除率保持在50%以上,驯化成熟的厌氧氨氧化污泥呈砖红色,为形状不规则的细小颗粒,结构密实,有较高活性。
采用100 mL厌氧瓶作为分批培养装置。通过排水法在操作前用氩气充满厌氧瓶,从反应器中去除0.5 L污泥,将其投加于容量为2 L的烧杯中,静置30 min,撇去上层清液,再向烧杯中投加1 L试验配水,将曝气头置于烧杯底部,加盖后以氩气脱氧15 min,随后在不断以氩气脱氧兼搅拌的条件下用注射器抽吸80 mL不同基质条件的泥水混合液于厌氧瓶中,用注射器抽出瓶中多余气体,以保证瓶内与瓶外的大气压相等,最后将厌氧瓶用黑布包好放入转速为150 r/min、(35±1)℃的恒温震荡培养箱中。
1.3 分析方法
各指标按照《水和废水监测分析方法》(第4版)中规定的方法进行检测分析。NO3--N采用紫外分光光度法测定;NO2--N采用N-(1-萘基)-乙二胺光度法测定;NH4+-N采用纳氏试剂分光光度法测定;CODCr采用快速密闭催化消解法测定;TN采用过硫酸钾氧化-紫外分光光度法测定;pH采用便携式pH仪测定。
2 结果与分析
2.1 HRT对ANAMMOX脱氮效果的影响
图2
图3
如图 2所示,随着HRT的缩短,ANAMMOX反应的脱氮性能减弱。当HRT从24 h缩至18 h时,NH4+-N和NO2--N的去除率变化不明显。当HRT从12 h缩至9 h时,NH4+-N和NO2--N去除效果明显变差,8 d内NH4+-N和NO2--N平均去除率分别降低12.21%、15.96%。HRT为6 h时,NH4+-N和NO2--N的平均去除率分别仅为53.79%、62.15%。
从图 3可知,随着HRT的缩短,TN负荷的提升,其去除率降低。HRT由24 h降到6 h时,TN容积负荷已从0.232 kg/(m3·d)增至0.9 kg/(m3·d),提升效果十分显著。HRT对TN去除率的影响与HRT取值范围有关。当HRT控制在24~12 h内,HRT减少对TN去除率的影响很小,一直保持在80%以上。HRT<12 h时,TN去除效果明显变差:HRT为9 h时,TN平均去除率降低14.04%;HRT为6 h时,TN平均去除率只有50%左右。
一方面,ANAOB生长十分缓慢(比增殖速率仅为0.03 h-1,即世代时间长达11 d)〔17〕,HRT过短会导致反应器内的菌种流失严重,ANAOB的繁殖速度远远难以弥补,致使微生物量不足,对NH4+-N和NO2--N的去除有所影响;与此同时,TN容积负荷过高势必会影响ANAOB的活跃程度,造成脱氮效果不佳。另一方面,HRT过长,系统内NH4+-N和NO2--N的质量浓度过低,不能为厌氧氨氧化菌提供足够的反应基质,给菌种的驯化培养带来负面影响甚至发生污泥解体现象,细胞蛋白质分解生成NH4+-N,导致出水水质严重恶化。
综上所述,在适宜的HRT范围内,应尽可能减少HRT来提高反应器的TN容积负荷。为获得理想的去除效果,笔者认为复合式UASB厌氧氨氧化反应器最适宜的HRT为12 h。
2.2 溶解氧对ANAMMOX脱氮效果的影响
ANAOB属于专性厌氧菌,当进水含有一定量的DO时,菌种的活跃度受到一定影响。但在实际工程中对废水进行脱氧处理会增加运行成本,有悖于我国提倡的可持续污水处理的理念。为此,在低DO状态下对ANAMMOX工艺脱氮性能进行研究。控制溶解氧在0.7~1.0 mg/L,HRT为12 h。每2 d检测一次进、出水NH4+-N、NO2--N及出水NO3--N质量浓度,探究DO对ANAMMOX脱氮性能的影响,结果如图 4所示。
图4
从图 4可见,进水不脱氧时,水中的DO会使ANAMMOX的反应活性显著下降,随着时间延长,NO2--N去除率先降低后小幅上升随后逐渐平稳,NH4+-N去除率在降低后呈现上升趋势,之后保持不变。NO2--N去除量与NH4+-N去除量的比值在5~21 d内波动较大,第23天后逐渐稳定,平均为0.849。然而,NO3--N生成量与NH4+-N去除量的比值在11 d内运行较为稳定,平均约为0.221,略微低于0.26。
由于反应器内DO含量较高,导致AOB快速繁殖,将一些NH4+-N变成NO2--N,出水中的NH4+-N降低,去除率升高。因此,NO2--N去除量与NH4+-N去除量的比值明显小于1.32。张驰等〔18〕研究了溶解氧对完全自养脱氮系统的影响,认为DO增加会引起好氧氨氧化菌的大量繁殖,导致ANAOB受到影响,从而使NO2--N过剩。结果表明,控制反应器内部DO在0.6~0.8 mg/L内对TN的去除效果较好。本试验不进行脱氧处理,反应器内部DO达到0.7~1.0 mg/L时,AOB对ANAOB的影响已不可忽略。
自第29天对反应器进行脱氧处理,控制DO为(0.2±0.1)mg/L,研究DO对ANAMMOX反应造成的影响是否可逆,试验结果如图 5所示。
图5
由图 5可以看出,进水恢复通氩气脱氧后,经过2周左右的适应期厌氧氨氧化菌活性开始趋于稳定,并恢复到脱氧前水平。29~41 d内,NH4+-N和NO2--N平均去除率分别提高了9.81%、4.38%;NO2--N去除量与NH4+-N去除量的比值波动较大,且始终低于1.32;NO3--N生成量与NH4+-N去除量比值略<0.26。49~59 d内,NH4+-N和NO2--N平均去除率分别为53.97%、54.56%,NO2--N去除量与NH4+-N去除量比值在1.32附近波动,NO3--N生成量与NH4+-N去除量比值维持在0.26左右。
试验结果表明DO对ANAMMOX反应造成的影响是可逆的。说明ANAOB对DO有较强的耐受能力,一定质量浓度的DO不会造成破坏性的伤害,只是影响其活跃度。
在进水不脱氧的条件下,ANAMMOX反应的脱氮能力下降,但仍可平稳进行。因此,可以考虑在不脱氧条件下运行ANAMMOX反应器,同时适当降低进水NO2--N与NH4+-N质量浓度比值,满足反硝化与ANAMMOX协同脱氮以降低运行成本。
2.3 有机物对ANAMMOX脱氮效果的影响
由于ANAOB是化能自养菌,其唯一碳源来自碳酸盐或CO2,因此,系统内若存在有机物,异养微生物将利用该有机物快速繁殖,在数量上远多于ANAOB。实际废水中常存在一定量的有机物,因此考虑有机物对ANAOB的影响有一定现实意义。
图6
图7
由图 6可见,COD由50 mg/L提升到150 mg/L时,有机物对ANAMMOX的影响并不大,NH4+-N平均去除率降低6.82%,NO2--N平均去除率升高4.86%;当COD超过150 mg/L时,NH4+-N和NO2--N的去除率快速下降;COD为200 mg/L时,NH4+-N和NO2--N的平均去除率分别仅为52.11%、76.82%。
由图 7可以看出,不同COD下,NO2--N实际去除效果优于理论值,说明有机物存在时反应器内发生反硝化反应,部分NO2--N被还原。随着COD升高,NO2--N理论去除量与实际去除量的差值也越大,说明反硝化反应的活性逐渐提高。
当COD在50~150 mg/L范围内,有机物对ANAOB的抑制并不显著,自养ANAMMOX起到重要作用,异养反硝化干扰较小。NH4+-N去除率虽有下降但仍能维持在75%以上,NO2--N去除率可至90%以上,COD去除率也能维持在较高水平,最低也能达到74%。刘金苓等〔19〕认为,低质量浓度的葡萄糖利于ANAMMOX反应的进行,能够提高ANAMMOX的反应速率。
当COD超过150 mg/L时,ANAOB在高有机负荷下对NO2--N的竞争力较弱,随着COD不断增加,反硝化细菌对基质的竞争优势扩大。COD去除量增加和NO3--N生成量的减少表明反硝化细菌大量繁殖,成为系统内的优势种属。同时,反硝化过程因消耗H+使得pH变大,不在ANAOB生长的最适pH范围内,其活性受到严重抑制,ANAMMOX反应器的脱氮性能大幅下降,COD去除率也不是很高。因此,可合理控制进水NH4+-N与NO2--N比值,充分发挥ANAMMOX和反硝化的协同作用,获得最佳脱氮效果。
3 结论
(1)HRT对ANAMMOX反应的脱氮效果有重要影响。HRT不足使得含氮物质残留,而HRT过长,厌氧氨氧化菌得不到充足的基质而长期处于“饥饿”状态,可能发生污泥解体现象。控制HRT在12 h可提高TN容积负荷,有利于ANAMMOX反应稳定高效地进行,同时获得较高的TN去除效果。
(2)DO对ANAMMOX反应的抑制作用具有可逆性。进水脱氧后,经过一段时间ANAMMOX反应器的脱氮性能可以重新恢复。在进水不脱氧的条件下,尽管ANAMMOX反应的活性受到克制,但仍可稳定运行。此时可以考虑适当降低进水NO2--N与NH4+-N的比值,实现好氧氨氧化与ANAMMOX协同脱氮。
(3)有机物是影响ANAMMOX反应脱氮性能的一个主要因素。当COD<150 mg/L,ANAMMOX反应能够稳定进行,获得比较理想的脱氮效果;当COD高于150 mg/L,有机物对ANAOB的活性产生显著抑制作用,NH4+-N和NO2--N去除率大幅下降。在适量有机物存在的情况下,系统内存在反硝化现象,表现出一定的反硝化特性。
参考文献
厌氧氨氧化污水处理工艺及其实际应用研究进展
[J].DOI:10.3969/j.issn.1674-5906.2014.03.023 [本文引用: 1]
Long-term stability of partial nitritation of swine wastewater digester liquor and its subsequent treatment by Anammox
[J].DOI:10.1016/j.biortech.2007.11.052 [本文引用: 1]
垃圾渗滤液水质特性和处理技术研究
[J].DOI:10.3969/j.issn.1671-1815.2014.31.025 [本文引用: 1]
半短程硝化-厌氧氨氧化处理污泥消化液的脱氮研究
[J].DOI:10.11936/bjutxb2011111737 [本文引用: 1]
Is the CANON reactor an alternative for nitrogen removal from pre-treated swine slurry?
[J].
Treatment of low-strength soluble wastewater using an anaerobic baffled reactor(ABR)
[J].DOI:10.1016/j.jenvman.2007.08.017 [本文引用: 1]
抗生素对厌氧氨氧化颗粒污泥脱氮性能的影响
[J].DOI:10.3969/j.issn.1000-6923.2017.04.015
厌氧氨氧化微生物在有机碳源条件下的代谢特性
[J].DOI:10.3321/j.issn:0253-2468.2009.10.004 [本文引用: 1]
/
| 〈 |
|
〉 |



津公网安备 12010602120337号