焦化厂粗酚精制废水零排放处理工程实例
陈浩

Project case on zero discharge of crude phenol refining effluent from coking plant
Hao Chen
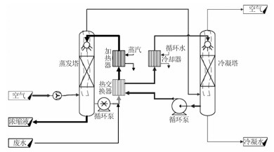
图2 EVAIR蒸发器