CASS污水处理工艺提升泵组协同控制方法
王维,孙正,薄翠梅,李俊

CASS sewage treatment process lifting pump group cooperative control method
Wei Wang,Zheng Sun,Cuimei Bo,Jun Li
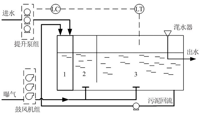
图1 CASS工艺流程
1—生物选择器;2—兼氧区;3—好氧区。