| 密闭式空气冷却器应用现状和展望 | 
| 田京雷,刘金哲,李建新,张书廷 | 
| Application status and prospect of closed air cooler | 
| Jinglei TIAN,Jinzhe LIU,Jianxin LI,Shuting ZHANG | 
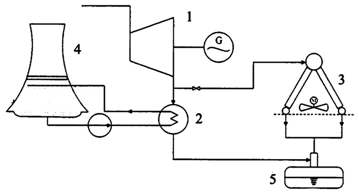
| 图3 电厂典型分建式干湿联合空冷器 1—汽轮发电机组;2—表面凝汽器;3—干式空冷器;4—湿式空冷器;5—凝结水箱 | 
| Fig.3 Typical independent dry-wet joint air cooler in power plant | 
|   |