工业水处理 ›› 2025, Vol. 45 ›› Issue (11): 174-182. doi: 10.19965/j.cnki.iwt.2024-0951

• 试验研究 • 上一篇    

低品位含锂气田采出水提锂技术研究与现场试验

姬伟1(), 徐文龙1, 何战友1, 范婧1, 何党联2, 张建海3, 谷言贺3   

  1. 1. 中石油长庆油田分公司油气工艺研究院,陕西 西安 716000
    2. 中石油长庆油田分公司第一采气厂,陕西 榆林 718500
    3. 苏州聚智同创环保科技有限公司,江苏 苏州 215000
  • 收稿日期:2025-03-18 出版日期:2025-11-20 发布日期:2025-11-20
  • 作者简介:

    姬伟(1985— ),硕士,高工,E-mail:

Research and field test of lithium extraction technology for low-grade lithium-containing gas field produced water

Wei JI1(), Wenlong XU1, Zhanyou HE1, Jing FAN1, Danglian HE2, Jianhai ZHANG3, Yanhe GU3   

  1. 1. PetroChina Changqing Oilfield Branch Oil and Gas Technology Research Institute, Xi’an 716000, China
    2. PetroChina Changqing Oilfield Branch First Gas Production Plant, Yulin 718500, China
    3. Suzhou Juzhi Tongchuang Environmental Protection Technology Co. , Ltd. , Suzhou 215000, China
  • Received:2025-03-18 Online:2025-11-20 Published:2025-11-20

摘要:

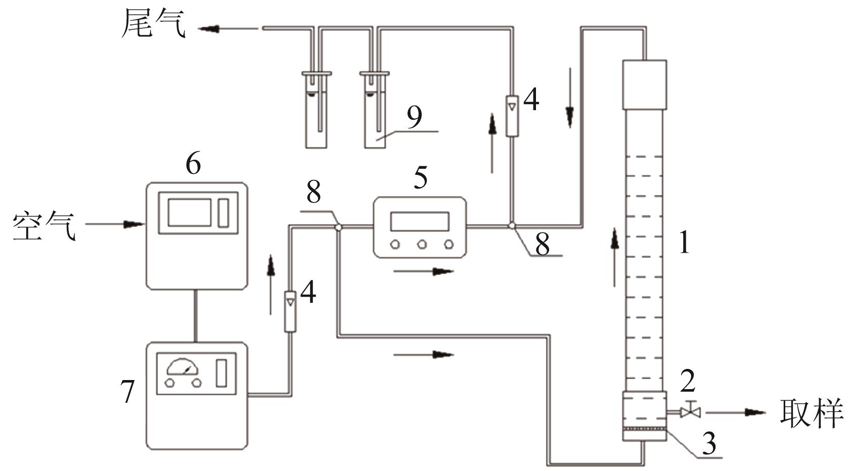
近年来,随着新能源汽车市场对碳酸锂产品需求量的增加,气田采出水中锂资源开发引起社会各界广泛关注。气田采出水因化学组分复杂、Li+浓度相对盐湖卤水低,提锂工艺一直是制约气田采出水中锂资源化利用的关键问题。基于长庆靖边气田采出水低品位含锂特征(质量浓度50 mg/L以下),分别从预处理工艺及参数优选、提锂关键技术(吸附法和电化学法)评价及参数优化、现场提锂效果及成本分析等方面开展了研究。结果表明,气田采出水经絮凝沉淀-臭氧催化氧化预处理后,浊度去除率在90%以上,COD去除率可达43%。电化学提锂工艺锂回收率低,且存在副反应和不稳定性;而锰系吸附剂对气田采出水中Li+的吸附量在0.98~4.57 mg/g区间内,处理低品位含锂采出水更有优势。采用处理规模200 L/h的一体化橇装装置开展了现场试验,经过两级吸附塔后,锂离子吸附回收率最高达87%,进一步对富锂脱附液分离、浓缩、沉淀,得到碳酸锂成品,碳酸锂质量分数达99.2%,产品符合《碳酸锂》(GB 11075—2013)中0级标准。研究打通了低品位含锂气田采出水提锂关键工艺技术路线,为后续气田采出水规模化提锂奠定了基础。

关键词: 低品位含锂气田采出水, 预处理, 吸附法提锂, 锰系吸附剂, 铝系吸附剂, 电化学提锂, 现场试验

Abstract:

In recent years, with the increasing demand for lithium carbonate products in the new energy vehicle market, the development of lithium resources in gas field produced water has attracted widespread attention from all sectors of society. Due to the complex chemical composition of gas field produced water and the relatively lower concentration of Li+ compared with salt lake brine, lithium extraction technology has always been a key issue restricting the resource utilization of lithium in gas field produced water. Based on the low-grade lithium-containing characteristics of produced water from Changqing Jingbian Gas Field (with mass concentration below 50 mg/L), research was carried out from aspects such as pretreatment processes and parameter optimization, evaluation and parameter optimization of key lithium extraction technologies (adsorption and electrochemical methods), on-site lithium extraction effect, and cost analysis. The results showed that after the gas field produced water was pretreated by flocculation precipitation-ozone catalytic oxidation, the turbidity removal rate exceeded 90%, and the COD removal rate reached 43%. The electrochemical lithium extraction process had a low lithium recovery rate, accompanied by side reactions and instability. Manganese-based adsorbents, with an adsorption capacity for Li+ in gas field produced water ranging from 0.98 mg/g to 4.57 mg/g, had more advantages in treating low-grade lithium-containing produced water. Field test was conducted using an integrated skid-mounted device with treatment capacity of 200 L/h. After passing through two-stage adsorption towers, the lithium ion adsorption recovery rate could reach up to 87%. Further separation, concentration, and precipitation of the lithium-rich desorption solution were conducted to obtain lithium carbonate product with a mass fraction of 99.2%, which met the Grade 0 standard specified in Lithium Carbonate (GB 11075—2013). This research has established the key technological route for lithium extraction from low-grade lithium-containing gas field produced water, laying a foundation for the subsequent large-scale lithium extraction from gas field produced water.

Key words: low-grade lithium-containing gas field produced water, pretreatment, lithium extraction by adsorption, manganese-based adsorbents, aluminum-based adsorbents, electrochemical lithium extraction, field test

中图分类号: