Industrial Water Treatment ›› 2026, Vol. 46 ›› Issue (1): 178-183. doi: 10.19965/j.cnki.iwt.2025-0062

• ANALYSIS AND DETERMINATION • Previous Articles     Next Articles

Prediction of boiler water quality in the petrochemical industry based on BiLSTM-GRU model

Yao CHEN1(), Zhengxi CHEN1, Changwei LIU1(), Qingjie LIU2, Yan WANG2, Shengnan WANG2   

  1. 1. Shenzhen Lightsun Technology Co. , Ltd. , Shenzhen 518029, China
    2. Sinopec (Tianjin) Petrochemical Company, Tianjin 300270, China
  • Received:2025-03-27 Online:2026-01-20 Published:2025-04-03
  • Contact: Changwei LIU

基于BiLSTM-GRU模型的石化工业过程锅炉水质预测

陈瑶1(), 陈正茜1, 刘昌伟1(), 刘庆洁2, 王艳2, 王胜楠2   

  1. 1. 深圳市朗诚科技股份有限公司,广东 深圳 518029
    2. 中石化(天津)石油化工有限公司,天津 300270
  • 通讯作者: 刘昌伟
  • 作者简介:

    陈瑶(1992— ),硕士,E-mail:

Abstract:

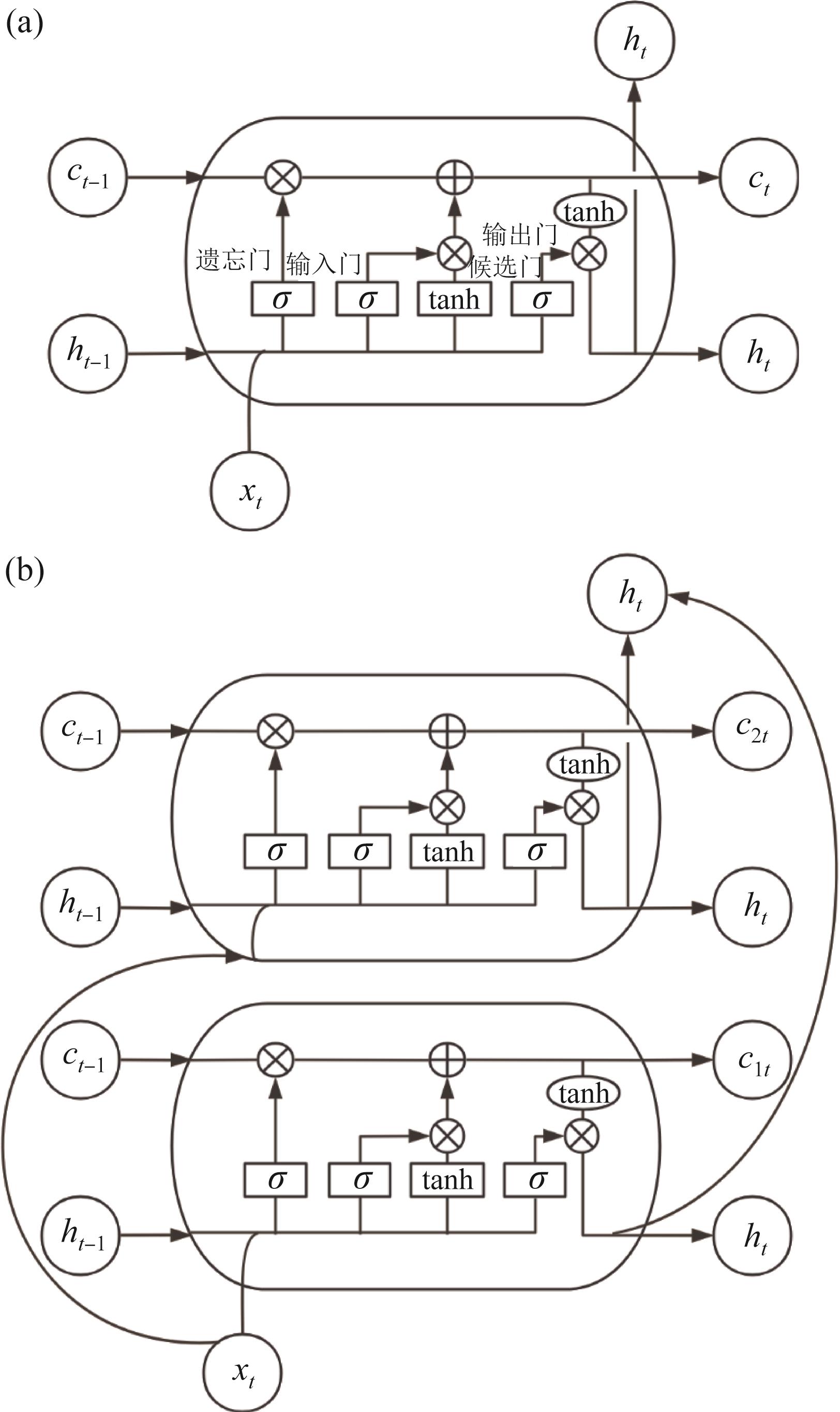
In order to effectively monitor the changes in boiler water quality during the petrochemical process and optimize the water treatment process, a BiLSTM-GRU model combining bidirectional long short-term memory(BiLSTM) and gated recurrent unit (GRU) was proposed. The model captured the dependency relationships in the time series of water quality parameters through BiLSTM, and combined GRU to improve training efficiency, achieving accurate prediction of key water quality indicators such as pH, dissolved oxygen, phosphate, and high-concentration silicate in boiler water. The results showed that the BiLSTM-GRU combined model had better mean absolute error (MAE) and root mean square error (RMSE) than both LSTM and LSTM-GRU models, demonstrating higher prediction accuracy. Validation using boiler water data from similar sites confirmed the strong robustness of the model, indicating its potential as an effective technical solution for online monitoring and precise control of industrial boiler water quality.

Key words: bidirectional long short-term memory network, gated recurrent unit, industrial boiler water, water quality prediction

摘要:

为有效掌握石化过程中锅炉水质变化情况并优化水处理过程,提出了一种结合双向长短期记忆网络(BiLSTM)与门控循环单元(GRU)的BiLSTM-GRU组合预测模型。该模型通过BiLSTM捕捉水质参数时间序列中的依赖关系,并结合GRU提升训练效率,实现对锅炉水质中pH、溶解氧、磷酸盐和高浓度硅酸盐等关键水质指标的精准预测。结果显示,BiLSTM-GRU组合模型的平均绝对误差(MAE)和均方根误差(RMSE)均优于LSTM和LSTM-GRU模型,表现出更高的预测精度。另外,采用同类型不同站点的锅炉水质数据进行验证,该模型也展现了良好的鲁棒性。这表明该模型可为工业锅炉水质的在线监测与精准控制提供有效技术支持。

关键词: 双向长短期记忆神经网络, 门控循环单元, 工业锅炉水, 水质预测

CLC Number: