工业水处理 ›› 2025, Vol. 45 ›› Issue (9): 196-202. doi: 10.19965/j.cnki.iwt.2024-0872

• 经验交流 • 上一篇    

基于数学模型的污水处理pH智能控制系统

颜斌1(), 段建峰1, 孙钧1, 周文1(), 郭荣华2, 颜峰2, 魏卓3, 杨晓林3   

  1. 1. 宝武水务科技有限公司武汉分公司,湖北 武汉 430080
    2. 宝武水务科技有限公司 华德环保分公司,湖北 武汉 430080
    3. 江汉大学智能制造学院,湖北 武汉 430080
  • 收稿日期:2025-05-28 出版日期:2025-09-20 发布日期:2025-11-20
  • 通讯作者: 周文
  • 作者简介:

    颜斌(1975— ),硕士研究生,E-mail:

Intelligent pH control system for wastewater treatment based on mathematical models

Bin YAN1(), Jianfeng DUAN1, Jun SUN1, Wen ZHOU1(), Ronghua GUO2, Feng YAN2, Zhuo WEI3, Xiaolin YANG3   

  1. 1. Wuhan Branch, Baowu Water Technology Co. , Ltd. , Wuhan 430080, China
    2. Huade Environmental Protection Branch, Baowu Water Technology Co. , Ltd. , Wuhan 430080, China
    3. School of Intelligent Manufacturing, Jianghan University, Wuhan 430080, China
  • Received:2025-05-28 Online:2025-09-20 Published:2025-11-20
  • Contact: Wen ZHOU

摘要:

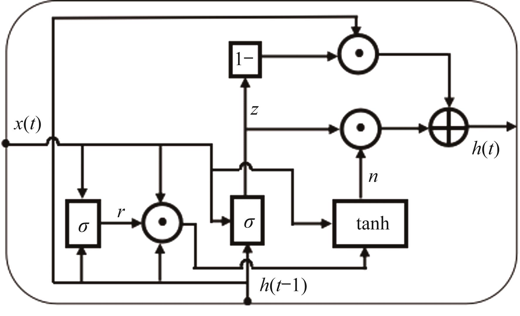
污水处理酸碱中和反应具有强非线性、时变滞后、易受多重干扰等特性,传统PID控制方法效果不佳。构建基于机器学习与模型预测的智能控制系统,通过整合历史数据建模,采用前馈补偿控制方法,借助门控循环单元(GRU)和全连接层(FC)等结构,将进水流量波动作为扰动变量,通过数学模型动态预测补偿值,并结合PID反馈调节形成复合控制系统,提升了pH控制的精准度与稳定性。同时,采用以智能计量阀为核心的精密流量控制系统,该系统通过RS485通讯方式实现各组件的协同和与上位机的连接,依据前馈补偿控制方法精准计算出的氢氧化钠投加量进行全量程范围(100∶1)内的精确调节,可将pH控制精度提升至±0.15以内,系统抗干扰能力显著增强,氢氧化钠投加量大幅降低22%,具备超宽量程、低噪声、低功耗、高可靠性等显著优势。

关键词: pH精度, 数学模型, 智能控制, 前馈补偿, 精密流量控制

Abstract:

The acid-base neutralization reaction in wastewater treatment is characterized by strong nonlinearity, time-varying hysteresis, and susceptibility to multiple interferences, leading to unsatisfactory performance with conventional PID control. To address these challenges, an intelligent control system integrating machine learning and model prediction was constructed. By establishing historical data-driven models and implementing feedforward compensation control method, the system utilized gated recurrent unit(GRU) and fully connected(FC) layer structures to treat influent flow fluctuations as disturbance variables. It dynamically predicted compensation values through mathematical model and combined them with PID feedback regulation to form a composite control system, significantly improving the accuracy and stability of pH control. Meanwhile, a precision flow control system with intelligent metering valve as the core was adopted. The system realized the collaboration of various components and the connection with the upper computer through RS485 communication. It could precisely adjust the sodium hydroxide dosage within the full range (100∶1) based on the dosage accurately calculated by the feedforward compensation control method, which improved the pH control accuracy to within ±0.15. The anti-interference ability of the system was significantly enhanced, and the sodium hydroxide consumption was greatly reduced by 22%. The system had significant advantages such as ultra wide range, low noise, low power consumption, and high reliability.

Key words: pH accuracy, mathematical model, intelligent control, feedforward compensation, precision flow control

中图分类号: